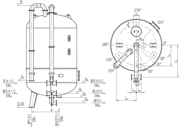
維球過濾器是用纖維球作為濾元的纖維過濾器,它具有過濾速度快、過濾精度高、截污容量大、占地面積省、自用水能耗低等優點。經過改性的纖維球濾料對含油污水的過濾凈化有不可替代的作用。該型纖維球過濾器運行時纖維球浸水后在水力作用下自動壓實,對過濾介質進行深度過濾,反洗再生時,纖維球濾料在水力作用下放松,在氣水混合物作用下攪拌擦洗,實現濾元再生。
|
規格(mm) |
1000 |
1200 |
1500 |
2000 |
2200 |
2500 |
3000 |
3200 |
|
|
料層厚度(mm) |
1000-1200 |
||||||||
|
過濾速度(m/h) |
30 |
||||||||
|
過濾水量(m³/h) |
24 |
34 |
53 |
94 |
114 |
147 |
210 |
241 |
|
|
設備凈重(kg |
1522 |
1813 |
2980 |
4792 |
5598 |
7902 |
10686 |
13542 |
|
|
設備運行重量(kg) |
4334 |
5792 |
9606 |
15814 |
20836 |
28082 |
40716 |
48508 |
|
|
最大操作壓力 |
060Mpa |
||||||||
|
截污容量 |
15~30Kg/m³(濾料) |
||||||||
|
過濾壓頭損失 |
運行初始入口、出口壓差為0.02~0.04Mpa;過濾失效時入口、出口壓差一般≤0.10Mpa,最大時不得超過0.20Mpa |
||||||||
|
過濾精度 |
過濾前水中懸浮物 |
過濾后水中懸浮物 |
|||||||
|
≤20mg/l |
0~0.5mg/1 |
||||||||
|
≤50mg/1 |
0~1.0mg/l |
||||||||
|
清洗操作壓力 |
≤0.05Mpa |
||||||||
|
清洗強度 |
3~8L/m².s |
||||||||
|
清洗空氣壓力 |
0.05Mpa;最大不得超過0.10Mpa |
||||||||
|
清洗空氣強度 |
60~80L/m² · s |
||||||||
|
清洗時間 |
20~30min |
||||||||
|
纖維球過濾器所需清洗氣源的壓力、流量及羅茨風機型號(供參考) |
||||||
|
名稱 |
氣源壓力 |
氣源流量 |
羅茨風機 |
電機型號 |
功率 |
升壓 |
|
1000 |
0.05~0.1 |
4.62 |
L31LD |
Y132M-4 |
7.5 |
0.05 |
|
1200 |
0.05~0.1 |
4.62 |
L31LD |
Y132M-4 |
7.5 |
0.05 |
|
1500 |
0.05~0.1 |
7.08 |
L32LD |
Y160M-4 |
11 |
0.05 |
|
2000 |
0.05~0.1 |
15.9 |
L42LD |
Y180L-4 |
22 |
0.05 |
|
2200 |
0.05~0.1 |
18.9 |
L42LD |
Y180L-4 |
22 |
0.05 |
|
2500 |
0.05~0.1 |
19.8 |
L43LD |
Y200L-4 |
30 |
0.05 |
|
3000 |
0.05~0.1 |
29.6 |
L52LD |
Y225S-4 |
37 |
0.05 |
|
3200 |
0.05~0.1 |
29.6 |
L52LD |
Y225S-4 |
37 |
0.05 |
