 
    
	
	 
	
| 
					       規格(mm) | 1000 | 1200 | 1500 | 2000 | 2200 | 2500 | 3000 | 3200 | |
| 料層厚度(mm) | 1000-1200 | ||||||||
| 過濾速度(m/h) | 30 | ||||||||
| 攪拌電機功率(kw) | 4 | 4 | 7.5 | 11 | 11 | 18.5 | 22 | 22 | |
| 過濾水量(m³/h) | 24 | 34 | 53 | 94 | 114 | 147 | 210 | 241 | |
| 設備凈重(kg | 1522 | 1813 | 2980 | 4792 | 5598 | 7902 | 10686 | 13542 | |
| 設備運行重量(kg) | 4334 | 5792 | 9606 | 15814 | 20836 | 28082 | 40716 | 48508 | |
| 最大操作壓力 | 060Mpa | ||||||||
| 截污容量 | 15~30Kg/m³(濾料) | ||||||||
| 過濾壓頭損失 | 運行初始入口、出口壓差為0.02~0.04Mpa;過濾失效時入口、出口壓差一般≤0.10Mpa,最大時不得超過0.20Mpa | ||||||||
| 過濾精度 | 過濾前水中懸浮物 | 過濾后水中懸浮物 | |||||||
| ≤20mg/l | 0~0.5mg/1 | ||||||||
| ≤50mg/1 | 0~1.0mg/l | ||||||||
| 清洗操作壓力 | ≤0.05Mpa | ||||||||
| 清洗強度 | 3~8L/m².s | ||||||||
| 清洗空氣壓力 | 0.05Mpa;最大不得超過0.10Mpa | ||||||||
| 清洗空氣強度 | 60~80L/m² · s | ||||||||
| 清洗時間 | 20~30min | ||||||||
	
	設備主要設計參數
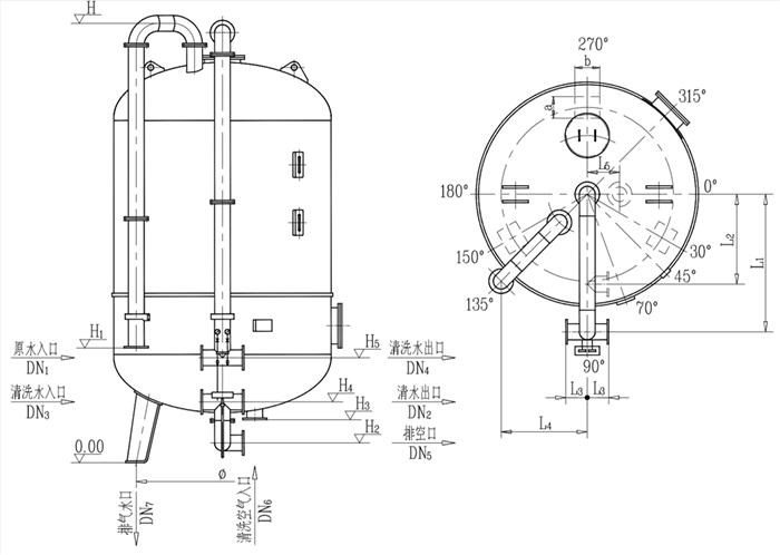
1、設計壓力:0.6MPa
2、設計溫度:50℃
3、設計流速:30m/h
	設備默認配置說明
1、設備陪就地取樣裝置和進出口壓力表;
2、設備所有接口法蘭壓力等級為PN1.0MPa;
3、設備接口到一次性法蘭為止,閥門由用戶自行配置。
	
 
 
	
